中文版
日本語
登录
注册
4009-639-739
首页
产品中心
功能型双数显光纤传感器
双数显光纤传感器
白色光源双数显光纤传感器
光纤元件
小方型光电传感器
方型光电传感器
扁平型光电传感器
超小型光电传感器
超薄型光电传感器
背景抑制光电传感器
背景抑制型线性光光电传感器
mini背景抑制型光电传感器
M12圆柱型光电传感器
M18圆柱型光电传感器
框型光电传感器
光电管道液位传感器
连接器型槽型光电传感器
电缆型槽型光电传感器
小型槽型光电传感器
超小型槽型光电传感器
宽槽型光电传感器
环型接近传感器
管型接近传感器
小方型接近传感器
方型接近传感器
超小圆柱型接近传感器
圆柱型接近传感器
耐高温圆柱型接近传感器
管道液位型接近传感器
圆柱型电容接近传感器
扁平型电容式接近传感器
耐腐蚀圆柱型电容式接近传感器
耐腐蚀圆柱型液位电容式接近传感器
简易式色标传感器
智能型数字颜色传感器
白色光源长距离颜色传感器
激光传感器
背景抑制型激光传感器
微型激光位移传感器
超小型激光位移传感器
小型激光位移传感器
超高精度激光位移传感器
高精度接触式传感器
光栅接触式位移传感器
2D形状测量传感器
边缘测量传感器
标签传感器
电容式标签传感器
双数显数字压力传感器|yali
圆柱型超声波传感器
超声波单双张检测传感器
超薄型区域传感器
测量型安全光栅
漫反射区域光栅
基本型安全光栅
超薄型安全光栅
四级安全光栅
四级安全光栅
电磁锁定安全门开关
电磁锁定安全门锁
锁定安全门开关
安全门开关
非接触式安全门开关
安全继电器
紧凑型经济工业读码器
紧凑型高性能工业读码器
标准型工业读码器
全功能型工业读码器
一体式总线IO模块
快接端子模块
卡片式总线IO模块
远程总线IO模块
智能型台式离子风机
智能型双头离子风机
离子风枪
离子风棒
图像尺寸测量仪
经典型高精度影像测量仪
点胶机
针筒及周边
电缆连接器
行业应用
服务支持
下载中心
关于星川
产品中心
首页
>
产品中心
>
工业安全产品
>
安全门开关
>
产品名称:安全门开关
产品型号:SKS系列
应用领域: 电子/半导体,包装行业,机械行业
产品简介:新一代多接点型安全门开关,节省人工,有益环保
返回列表
产品特点
产品规格
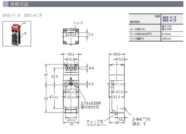
产品尺寸
电路图
下载
产品目录下载
3D文件下载
安全门开关相关的分类
首页
产品中心
工业安全产品
安全门开关
电磁锁定安全门开关
电磁锁定安全门锁
锁定安全门开关
安全门开关
非接触式安全门开关
安全继电器
联系星川
产品咨询:18824639739 邮箱:product@hoshikawa.com
技术资讯:4009-639-739 邮箱:support@hoshikawa.com
简历投递:4009-639-739 邮箱:hr@hoshikawa.com
关于星川
星川简介
新闻资讯
人才招聘
联系我们
请先登录或注册会员
即可下载查看资料
并可享受丰富的会员服务
会员登录
立即登录
注册会员
立即注册
在线咨询
电话:4009-639-739
座机:0755-23246679
邮箱:info@hoshikawa.com